相關資訊
全國統一客服熱線:
021-57899261
電話:137-6109-6989
Email:wl-sales@tileblue.com
營銷中心:上海市松江區松衛北路567号13#7023
生産基地:上海市青浦區趙重公路1978号
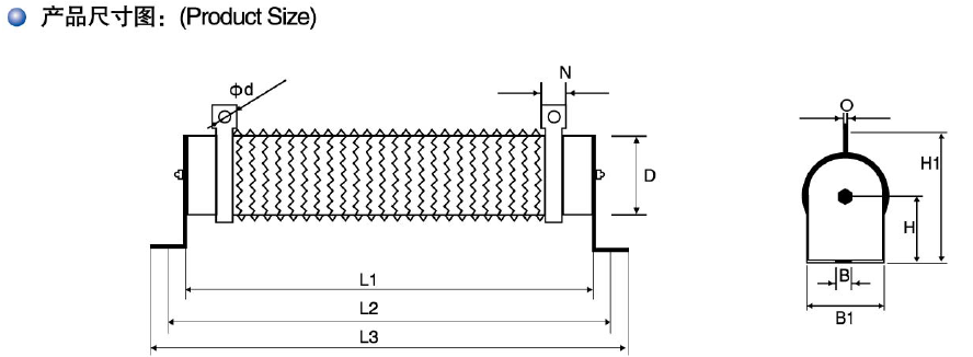
産品詳情
聯系我們

産品概述:
RXHG系列波紋電阻器是一種功率型繞線電阻器,采用圓柱形陶瓷管作爲骨架,用波紋狀合金電阻絲均勻繞制在骨架上,表面塗覆上阻燃、耐高溫的絕緣材料,具有良好的散熱能力,附有安裝支架,安裝方便。可用于變頻器能耗制動、負載試驗、設備放電、自動化控制等。散熱較好,可以長時間工作。
産品應用:
做爲制動電阻保護變頻器、伺服等不受電機再生電能危害
電力電子負載測試中做爲阻性負載 電力電子設備中做爲取樣電阻、限流電阻、起動電阻、保護電阻
技術規格:
1. 功率範圍:50W-3000W
2. 工作電壓範圍:0.5KV-10KV
3. 阻值範圍:1Ω-1KΩ
4. 耐電強度:AC3000V 1Min50HZ
5. 防護等級:IP00
6. 載流體材料:0Cr25Al5
7. 适用标準:GB/T5729-1994電子設備用固定電阻器






上海瓦藍電子科技有限公司WL
0086-(21)57899261
訂購:波紋電阻器







上海瓦藍電子科技有限公司